

Coatmaster PVD涂层测厚系统可在产线前端进行涂层厚度的检测并及时调整偏差。可有效的减少次品率和返工率。
PVD涂层技术可用于合金钢、高速钢、碳化钨、铍铜等材料。具有高品质,重复性、可靠性高及保养容易等特点。
传统PVD涂层测厚技术由于采用的大多是破坏性涂层测厚技术,测量过的工件往往无法使用。也无法实现在产线端的实时检测和连续检测。Coatmaster PVD涂层测厚系统可在产线前端进行涂层厚度的检测并及时调整偏差。可有效的减少次品率和返工率。
对涂层成分不敏感,也适用于润滑剂、聚合物涂层、粉末涂料、热喷涂涂层等的膜厚检测。
Coatmaster 涂层测厚系统可检测各种基材上面的涂层厚度,例如:金属、塑料、橡胶、玻璃、陶瓷等。解决了传统测厚技术无法测量特定底材的问题。
Coatmaster PVD涂层测厚系统对于涂层本身的颜色并不敏感,可精确测量各种颜色的涂层,而无需等待涂层完全干透。
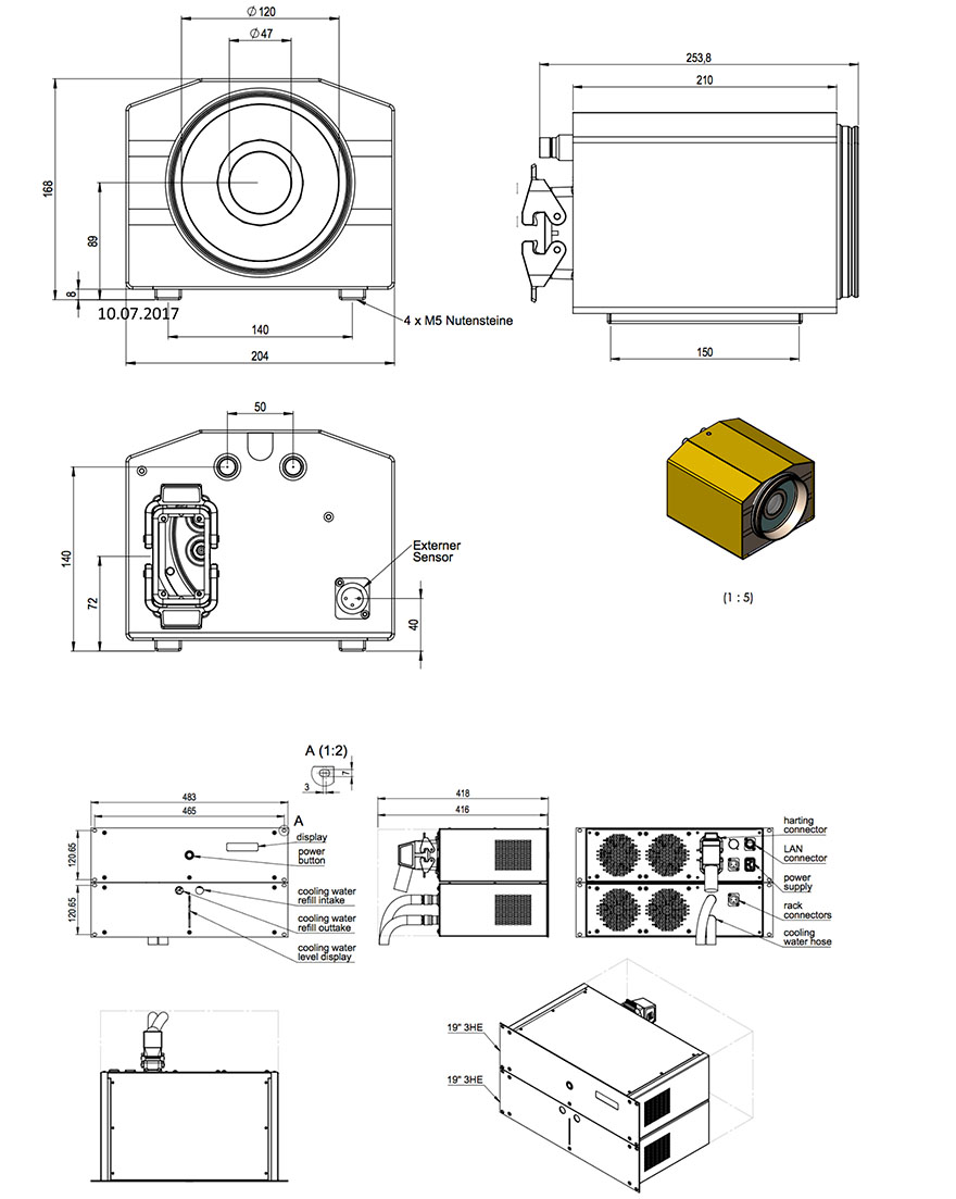
Coatmaster PVD涂层测厚系统可集成在生产线,实现产线前端的连续检测,并连续性的记录测量数据。可通过PLC编程与控制系统实现集成。
传统测厚技术容易受到特定工件表面形状的限制,内壁、角落、部件等的涂层厚度测量往往会遇到很多困难。 Coatmaster PVD 涂层测厚系统采用光热学测厚技术,对于复杂的工件表面同样适用,包括柔软甚至是粗糙的工件表面。
CoatmasterPVD涂层测厚系统能高精度测量粉末涂层零件在烘干前的涂层厚度。这样就能在产线早期解决质量和生产问题,有效避免昂贵且复杂的返工。这不仅能节省材料成本,也能减少有缺陷的涂层零件的生产数量。这使Coatmaster PVD涂层测厚系统以微米级精度测量膜厚成为工业上新的质量标准。

Coatmaster PVD涂层测厚系统利用光线对涂层进行短暂加热,利用红外线传感器对表面温度进行非接触式测量。通过独有专利的算法分析产品表面温度的动态变化过程确定涂层厚度及其它特性,精确测量,重复性好.可以检测各种不同形状和尺寸的产品,可以在任何生产环境下使用
| m1 | m2 | m3 | m4 | |
| 测量距离 | 5~30cm | 5~50cm | 5~80cm | 5~120cm |
| 测量点 | Φ2-20mm | |||
| 测量时间 | 20-1000ms | |||
| 工件移动速度 | 50 m /min | |||
| 误差 | < 4% | < 2% | < 1% | < 0.5% |
| 测量范围 | 1-1000μm | |||
| 标准偏差: | <3% | |||
| 持续时间: | 0.1 – 1 s | |||
| 物体最大移动速度: | 60 m/min | |||
| 功耗: | <2000 W | |||
